+86-318-5227227

sales@bearing-pad.com

Home > Technology > Seismic Design and Installation of High Damping Rubber Bearing on Steel frame buildings

Seismic Design and Installation of High Damping Rubber Bearing on Steel frame buildings

1.Overview

1.1.Traditional isolation structure

The traditional seismic structure is generally operated using a steel frame structure (for low-rise building of no more than 30m) and a shear wall structure(for civil buildings of no more than twenty-five floors and industrial buildings of no more than eight floors in China since 1970s).
1.2.New isolation structure
The shear wall structure introduces the new material to strengthen the structure, because it is founded that setting a lot shear wall structures in some high-rise buildings couldn’t play the desired role in practical application.
The new material is HDR which is referred to High Damping Rubber Bearing. Based on the concept of base isolation, HDR transforms the traditional passive isolation methods ”overcoming the yielding with yielding” into a new positive isolation methods “overcoming the unyielding with yielding”. A M8.0 great earthquake will only withstand about M5.6 earthquake in the condition of rationally adopting HDR reducing greatly the construction costs.
 

2.Project Overview

The area of the First Senior High School, in Jiaozishan tourist area, Kunming Zhaodian Industrial Park, is101894 square meters. In this school, teaching buildings is 20251, administrative building is 15056, dormitory 36906, library 5309, dining hall 6222, lecture hall 1087, indoor gymnasium 6942, basement 9442, gate 117, sports ground 292. Teaching buildings, libraries and laboratory buildings set up HDR; the basement of its teaching building is the core of the whole project isolation construction, the height of the teaching building construction eaves is 21.4m. The ground and the basement are designed five floors and one floor respectively. HDR which height is 1.8m are set between the first floor and the ground floor. 
 

3.Construction Technology and Research Achievements

3.1.Overall Construction Scheme

Before the construction, the drawings must be checked. The procurement of the HDR should be made in time and the frame structure should be transported to the construction site. The on-site staff check the materials and make sure that the materials are qualified before use, and then reserve them in the construction site. 

3.2.Construction Technology of HDR(high damping rubber bearing)

3.2.1.Construction Features
(1)Accurately control the axis and elevation of HDR during the installation
(2)Simple installation, safe and fast construction, and low requirements on the construction environment which can be installed in various complex environment.

3.2.2.Process Principle

(1)The flexible layer can isolate and dissipate the seismic energy, and prevent low-energy  from delivering to the superstructure. Seismic technology came into being through long-term analysis by domestic and foreign scholars. The technology is installed HDR as base isolation forming a isolation layer which can increase damping, extend the vibration cycle of structure, and reduce the energy conveying to the superstructure and ultimately achieve the desired requirements. The seismic simulation shows the isolation layer reduces 1/8 destructiveness of the earthquake to the original structure. (Figure 1):
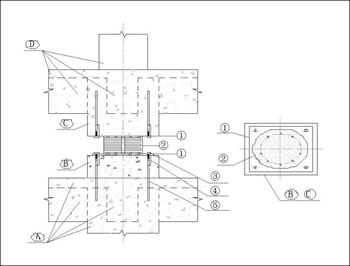
Figure 1 Layout of HDR
①Flange ②Rubber isolation cushion ③High-strength bolt ④Reserved sleeve in the pouring platform ⑤Connecting steel. A represents the structure under the isolation layer. B is the plinth. C is the upper buttress. D refers to the structure above the isolation layer.
(2)The installation standard of the HDR shall take its use, frame structure and the intensity of the earthquake into account. According to the installation standard of HDR, the construction methods is produced after the refining and improving.

3.2.3.Operation Process

The drawings must be checked before the construction. Through the list, HDR and its spare and accessory parts were counted based on the type and the number.

3.2.4.Operation Methods

(1)Tie the steel of the plinth, embed the sleeves and the anchor bars.
The construction process of the plinth is carried out based on convention methods. If the anchor bars effected by the main reinforcement or stirrups, the position of the anchor bars needs to make appropriate adjustments. After finishing installation of steel, prepare the sleeve, the operation is:
  • Weld the short steels in the angle position of the buttress, draw the line of elevation on the top of the buttress.
  • Pull the cross line at the top of the buttress.
  • Position the cross line on the fixing steel plate using the ink duct.
  • Position fixing the steel plate, and then spot weld to fix.
  • Install the sleeve and the anchor bar in the hole of the fixing steel plate, place the concentric plastic tube tightened by bolts.
  • Weld the sleeves and the anchor bars on the reinforcement to avoid the deformation of sleeves.

(2)Pour concrete above the isolation layer. 

The staff must pay attention to protecting the sleeves and the fixing steel plate.

(3)Place side modes of the plinth and pour concrete.

Operation Points:
  • Concrete pouring should pay attention to its density. The concrete which is under the fixing steel plate, is prone to be empty. So when pouring the concrete, put the charge-in  above the fixing steel plate and intensify the vibration.
  • After the vibration of the concrete, the concrete surface should be leveling through the line of elevation to ensure its flatness.
  • Remove the fixing steel plate after the jelling time, grinder the concrete surface. It is worth noting that the concrete couldn’t be into the sleeves.

(4)Install HDR.

  • Install HDR when the strength of the concrete is reach 70%, the detailed operation is as follows:
  • Polish the uneven place of the concrete platform.
  • Install the required different types of HDR in place.  
  • Let the isolation cushion move in place using special tools and fasten with the bolts.
  • Elevate HDR, pad the gap with liquid cement of 2-3mm width and tighten with the high-strength bolts.
  • Recheck the flatness of HDR and the the elevation and make a check record.

(5)Place modes of the upper buttress. 

  • Install the sleeve and the anchor bar of the upper buttress and tighten with a torque wrench.
  • The steel support of the upper buttress must be strictly in accordance with design.
  • Lay asphalt felt with thickness of 1mm under the plinth, in order to facilitate the demolition of HDR in the future.

(6)Tie the steel of the upper buttress.

  • Tie the reinforcement cage.
  • Install the protective layer with tower crane.
  • Tie the beam steel.
  • Band the reinforcement of the upper structure. 

(7)Pour concrete to the upper buttress.

The pouring concrete of the upper buttress is same as that of upper buttress.

3.2.5.Construction Effect

(1)Greatly reduce the personal injury and property damage in seismic zone. It is a signal that  China has improved construction. China, who has now built more than 1,000 isolated buildings, has one of the largest isolated buildings in the world for greatly reducing the personal injury and property damage in seismic zone.
(2)Greatly save resources. The amount of the steel in the upper structure is greatly reduced through the seismic technology, especially the amount of the concrete and steel in the upper parts of the isolation layer are reduced by 20% and 50% respectively, which not only save resources, but also effectively reduce the pollutants discharge and emission, and then ultimately protect the environment.

3.3.Frame Construction

3.3.1.Scope of Application
The frame structure is particularly suitable for residential construction which floor area is small and the distance of each column is single and standard office construction.

3.3.2.Process Principle

Take each floor and each household as a standard unit first, and then divide the structure into different types which are easy to make and install, and finally draw drawings of spare and accessory parts. 
Beam, plate and other lateral members are laminated. Apart from exterior staircases which is built in site, the rest members are all factory-made, which simplifies on-site construction, shortens the cycle and reduces the personnel of on-site construction. 

4.Construction Benefits

4.1.Economic Benefits

(1)Prompt the early return of the funds due to the fast construction. In the meanwhile, the construction funds can save 20% -30% in the large-scale production while meets the urgent needs of the customers.
(2)Save the duration of three or four months compared with the traditional construction methods. The production of the main structure uses the factory pattern through previous design which effectively prevents the construction from the quality problems due to the construction site.

4.2.Social Benefits

(1)The quality of the project can be guaranteed, because the technology has the advantages of simple construction, reliability and safety and significantly reducing the time required for installation which can be manually saved 30%, compared to the traditional construction methods.
(2)The completion period can be shortened by nearly 20%, because the conventional revolving materials can save about 8% and internal and external decoration required a short duration.
(3)Basically prevent the construction from on-site wet operation which reduces about 70% construction waste and about 50% construction water and effectively reduces the noise pollution featured with significant energy saving and environmental protection.

5.Conclusion

(1)The structural force greatly reduced, because HDR can absorb and slow down the seismic wave which is only 1/4-1/8 of the original and the acceleration is 1/7 of the original.
(2)The amount of concrete and steel used in the upper part of isolation layer reduced by 20% and 50% respectively. Apart from the expenses of the isolated rubber bearings and reinforced concrete from the isolation layer, the comprehensive benefit is saved between 5% and 9% which has great social benefits.

Inquiry for Our Product

Hengshui JingTong Rubber Co., Ltd.
Email: sales@bearing-pad.com

When you contact us, please provide your detail requirements.
That will help us give you a valid quotation.

Full Name *
Country Code * + Phone Number *
Your Website
Message *